致力于成為全球領先的
自動化解決方案平臺
?
| 型號 |
EIC2000 | EIC3000 | EIC4000 | EIC5000 |
| 保證耐壓力(MPa) | 1.5 | |||
| 使用壓力范圍(MPa) | 0.15~1.0 | |||
| 調壓壓力范圍(MPa) | 0.05~0.9 | |||
| 工作溫度(C) | 5~60 | |||
| 過濾精度 | 25 μm(5 μm可選) | |||
| 建議用油 | 透平1號油? ISOVG32 | |||
| 容器材料 | 聚碳酸脂 | |||
| 防護罩 | 無 | 有 | ||
| 閥型 | 帶溢流型 | |||
?
| 型號 | 規格 | ||||
| 組件 | *額定流量 (Lmin) |
*接管口徑 (G) |
|||
| 過濾器 | 減壓閥 | 油霧器 | |||
| EIC2000-01 | EIF2000 | EIR2000 | EIL2000 | 1000 | 1/8 |
| 1100 | 1/4 | ||||
| EIC2000-02 | |||||
| EIC3000-02 | EIF3000 | EIR3000 | EIL3000 | 1950 | 1/4 |
| 2105 | 3/8 | ||||
| EIC3000-03 | |||||
| EIC4000-04 | EIF4000 | EIR4000 | EIL4000 | 5200 | 1/2 |
| EIC5000-06 | EIF5000 | EIR5000 | EIL5000 | 6200 | 3/4 |
| EIC5000-10 | 6500 | 1 | |||
?
*以上信息基于8.0Bar的供應壓力和6.3Bar的設定壓力*接管口徑有NPT,PT可供選擇

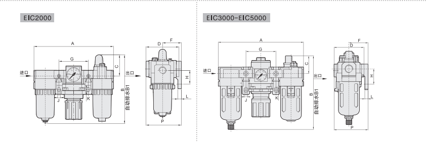
| 型號 | 按管口徑 | A | B | B1 | C | D | F | G | H | J | K | L | P |
| EIC2000 | 1/8"-1/4" | 140 | 123 | 161 | 37.5 | 54 | 30 | 50 | 24 | 5.5 | 8.5 | 5 | 57 |
| EIC3000 | 1/4"-3/8" | 184 | 157.5 | 170 | 39 | 64 | 41 | 65 | 35 | 7.5 | 11 | 7.2 | 71 |
| EIC4000 | 1/2" | 238 | 190 | 194 | 40 | 80 | 50 | 84 | 40 | 9 | 13 | 7.2 | 88 |
| EIC5000 | 3/4"-1" | 300 | 271.5 | 274.5 | 45.5 | 90 | 69.8 | 105 | 50 | 12 | 16 | 10.5 | 115 |