致力于成為全球領先的
自動化解決方案平臺

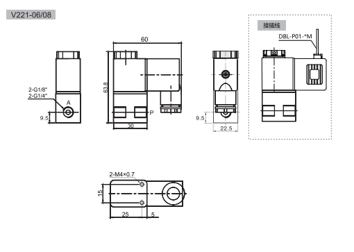
訂貨舉例:V系列電磁閥,二位二通,單頭控制,接管口徑為1/8,電壓為AC110V,接電方式為接線盒式,G牙,其ERP編碼為:V221-06E1
| 型號 | NM221-06 | NM221-08 | V221-06 | V221-08 |
| 工作介質 | 空氣 | |||
| 動作型式 | 直動式 | |||
| 流通孔徑(mm) | 2 | |||
| 接管口徑 | G1/8 | G1/4 | G1/8 | G 1/4 |
| 潤滑 | 不需要 | |||
| 工作壓力(MPa) | 0~0.8 | |||
| 最大耐壓力(MPa) | 1.2 | |||
| 工作溫度(℃) | —5-60 | |||
| 電壓范圍 | -15%-+10% | |||
| 耗電量 | Dc24v:0.7W AC22ov:0.9VAAC110V:1.4VA AC:4VA DC:3w | |||
| 絕繚等級 | F級 | |||
| 保護等級 | IP65 ( DIN40050) | |||
| 勵磁時間(s) | <0.05 | |||
| 密封件材質 | NBR | |||
| 重量(g) | 141 | 138 | 141 | 138 |

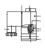
| 序號 | 名稱 |
| 1 | 接線盒 |
| 2 | 接線盒墊片 |
| 3 | 螺母 |
| 4 | 線圈 |
| 5 | 先導頭組件 |
| 6 | O型圈 |
| 7 | 復位彈簧 |
| 8 | 閥體 |
| 序號 | 名稱 |
| 1 | 接線盒 |
| 2 | 接線盒墊片 |
| 3 | 螺母 |
| 4 | 線圈 |
| 5 | 先導頭組件 |
| 6 | O型圈 |
| 7 | 復位彈簧 |
| 8 | 閥體 |

